
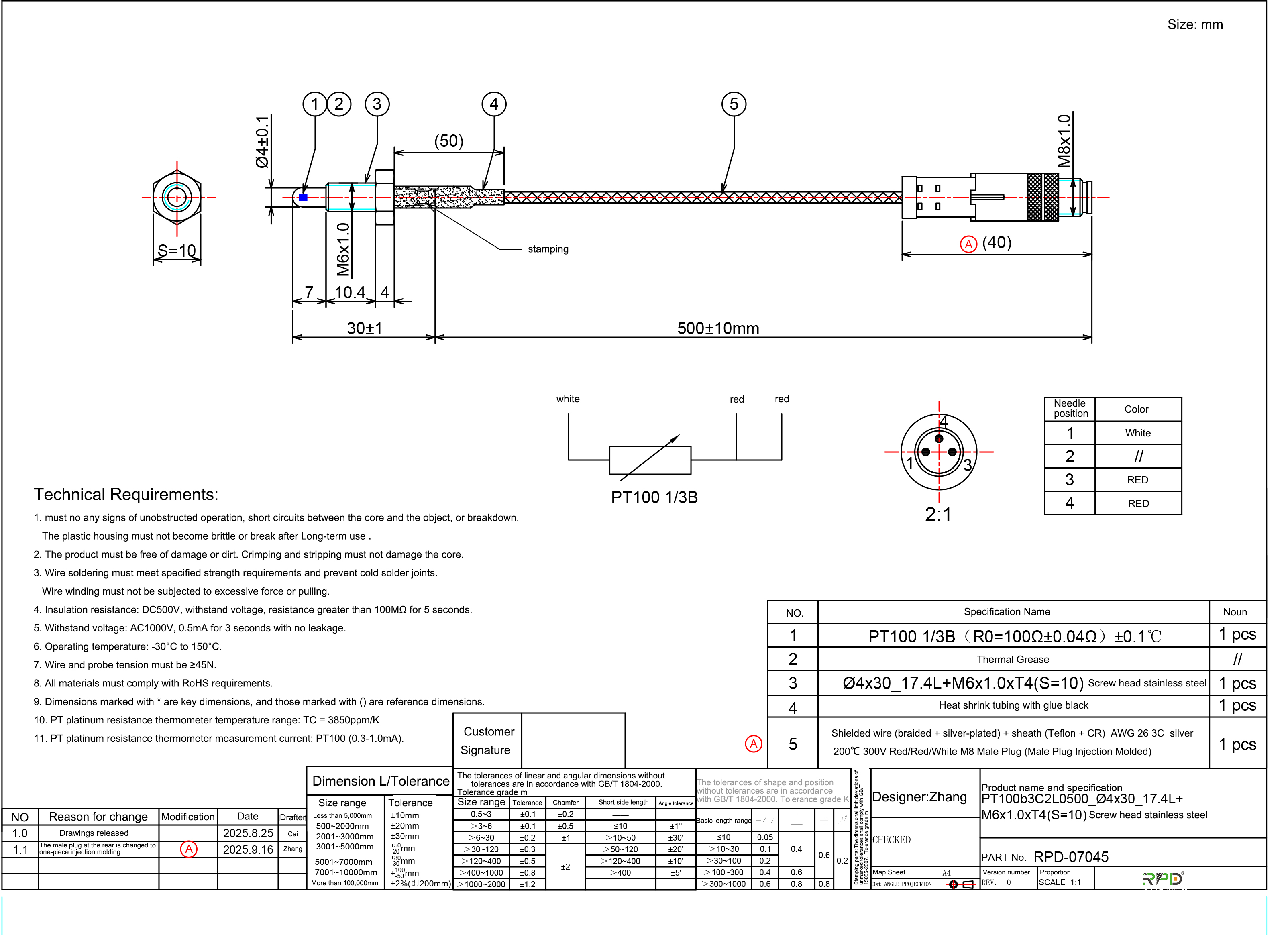
Technical Requirements:
1. must no any signs of unobstructed operation, short circuits between the core and the object, or breakdown. The plastic housing must not become brittle or break after Long-term use .
2. The product must be free of damage or dirt. Crimping and stripping must not damage the core.
3. Wire soldering must meet specified strength requirements and prevent cold solder joints. Wire winding must not be subjected to excessive force or pulling.
4. Insulation resistance: DC500V, withstand voltage, resistance greater than 100MΩ for 5 seconds.
5. Withstand voltage: AC1000V, 0.5mA for 3 seconds with no leakage.
6. Operating temperature: -30°C to 150°C.
7. Wire and probe tension must be ≥45N.
8. All materials must comply with RoHS requirements.
9. Dimensions marked with * are key dimensions, and those marked with () are reference dimensions.
10. PT platinum resistance thermometer temperature range: TC = 3850ppm/K
11. PT platinum resistance thermometer measurement current: PT100 (0.3-1.0mA).