主图
线材
连接器
RPD-CL2
产品特性
立即沟通
产品介绍


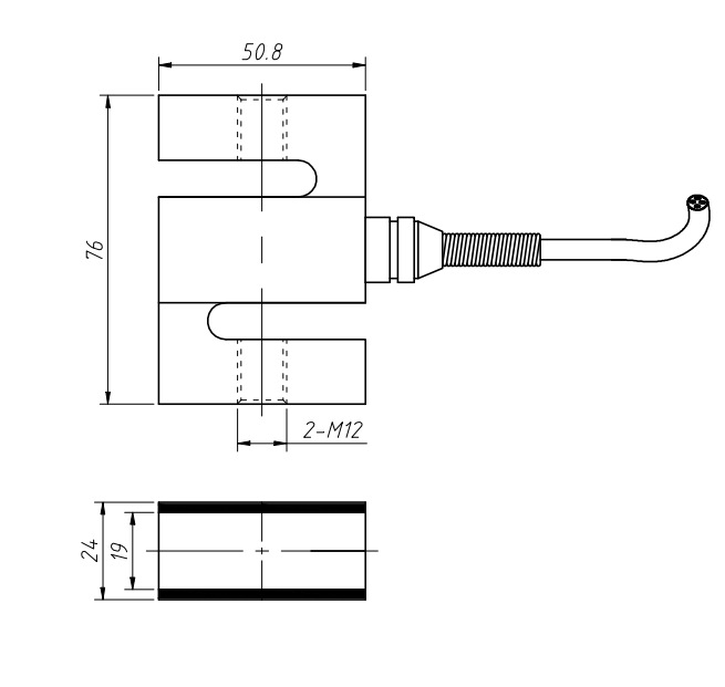
S型传感器采用S型结构,具有高精度、稳定性强、互换性能好,拉压双向均可使用。可应用于高湿度环境,具有优越的抗扭、抗侧、抗偏载能力。广泛应用于皮带秤、料斗秤、机电组合秤、万能材料试验机、吊钩秤、推拉力计、按键感度测试仪、机器人等拉压力测试仪、自动化测力领域及各种工程装置的测力。